Importação e exportação Co. de Changshu Herun, Ltd.
Importação e exportação Co. de Changshu Herun, Ltd.
Produtos
Manômetro de tubo Bourdon com contatos de interruptor
  • Manômetro de tubo Bourdon com contatos de interruptorManômetro de tubo Bourdon com contatos de interruptor

Manômetro de tubo Bourdon com contatos de interruptor

Model:EC02.010 (bottom connection)
EC02.030 (bottom with case filling)
EC02.050 (back connection)
EC02.070 (back with case filling)
O manômetro de tubo Bourdon com contatos de comutação produzido pela CSHERUN na China pertence à série de produtos de manômetros de tubo Bourdon, com material de revestimento de aço inoxidável e duas especificações de NS 100 e 160. Um manômetro de tubo Bourdon com contatos de comutação, com um máximo de 4 contatos de comutação por instrumento, Instrumentos com contatos indutivos para áreas perigosas e instrumentos com contatos para aplicações PLC.

Você pode ter a certeza de comprar conosco um manômetro de tubo Bourdon personalizado com contatos de interruptor. Estamos ansiosos para cooperar com você, se quiser saber mais, pode nos consultar agora, responderemos a tempo! O medidor de pressão de tubo Bourdon de última geração com contatos de comutação, fabricado na China, é utilizado principalmente para medir pressão de gás e oferece recursos para medição de micropressão e proteção contra sobrepressão até certo ponto. Construído com caixa de aço inoxidável durável, este medidor garante robustez e longevidade.


Nosso manômetro de tubo Bourdon com contatos de comutação possui até 4 contatos de comutação por instrumento, tornando-o versátil para diversas aplicações. Além disso, está disponível com enchimento de caixa para suportar cargas ou vibrações de alta pressão dinâmica. As versões especiais incluem instrumentos com contatos indutivos adequados para áreas perigosas, contatos adaptados para aplicações PLC e opcionalmente disponíveis na versão de segurança S3 conforme as normas EN 837.


Aplicativos


● Controle e regulação de processos industriais

● Monitoramento de plantas e comutação de circuitos

● Para meios agressivos gasosos e líquidos que não sejam altamente viscosos ou cristalizantes, também em ambientes agressivos

● Indústria química, indústria petroquímica, usinas de energia, mineração, on-shore/offshore, tecnologia ambiental, construção de máquinas e construção de plantas em geral


Recursos especiais


● Até 4 contatos de comutação por instrumento

● Também disponível com enchimento de caixa para cargas de alta pressão dinâmica ou vibrações. Instrumentos com contatos indutivos para uso em áreas perigosas

● Instrumentos com contatos para aplicações PLC

● Instrumentos disponíveis opcionalmente na versão de segurança S3 conforme EN 837


Descrição 


Projeto

DE 16085

Tamanho nominal em mm

100, 160

Precisão

1.0

Intervalos de escala 


0…0,6MPa a 0…160MPa

outras unidades (por exemplo, psi, kPa) disponíveis

ou todas as outras faixas equivalentes de vácuo ou pressão e vácuo combinadas

Limitação de pressão

Estável: valor da escala completa

Flutuante: 0,9 x valor da escala completa

Curto tempo: 1,3 x valor da escala completa 

Temperatura permitida

Ambiente: -20… +60 °C


Médio:

+200 °C [+392 °F] máx. com instrumentos vazios

+100 °C [+212 °F] máx. com instrumentos cheios

Efeito de temperatura 

Quando a temperatura do sistema de medição se desvia da temperatura de referência (+20 °C): máx. ±0,4%/10 K do valor da escala completa

Proteção de entrada de acordo com IEC/EN 60529

IP65

Conexão de processo  

SS316L

■ G ½ B

■ ½ NPT

■ M20 x 1,5

outros a pedido

Local de conexão

■ Montagem inferior (radial)

■ Montagem traseira inferior

Caso 

Aço inoxidável

Elemento de pressão 

Aço inoxidável 316L tipo C ou tipo helicoidal 

Movimento 

Aço inoxidável

Discar

Alumínio 

Definir ponteiro 

Alumínio, vermelho

Janela 

Vidro laminado de segurança 

Conexão elétrica

Tomada de cabo PA 6, preta

De acordo com VDE 0110 grupo de isolamento C/250 V

Prensa-cabo M20 x 1,5

Alívio de tensão

6 terminais de parafuso + PE para seção transversal do condutor 2,5 mm²

Outros a pedido 

Trocar contatos

Contato magnético de ação rápida modelo EC02

■ Sem unidade de controle e sem necessidade de fonte de alimentação

■ Comutação direta até 250 V, 1 A

■ Até 4 contatos de comutação por instrumento de medição

Especificações para instrumentos com contato magnético de ação rápida modelo EC02


A faixa de ajuste recomendada dos contatos é de 25 ... 75% da escala (0 ... 100% sob consulta). Material de contato (padrão): Níquel prateado, banhado a ouro


Configurando os contatos 

A folga mínima recomendada entre 2 contatos é de 20% da amplitude de medição. A histerese da chave é de 2 ... 5% (típico)


Carga de contato recomendada com cargas resistivas e indutivas

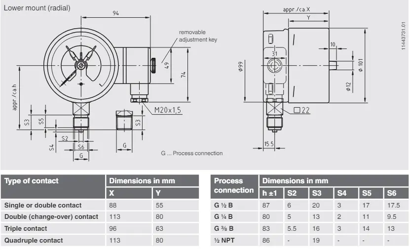
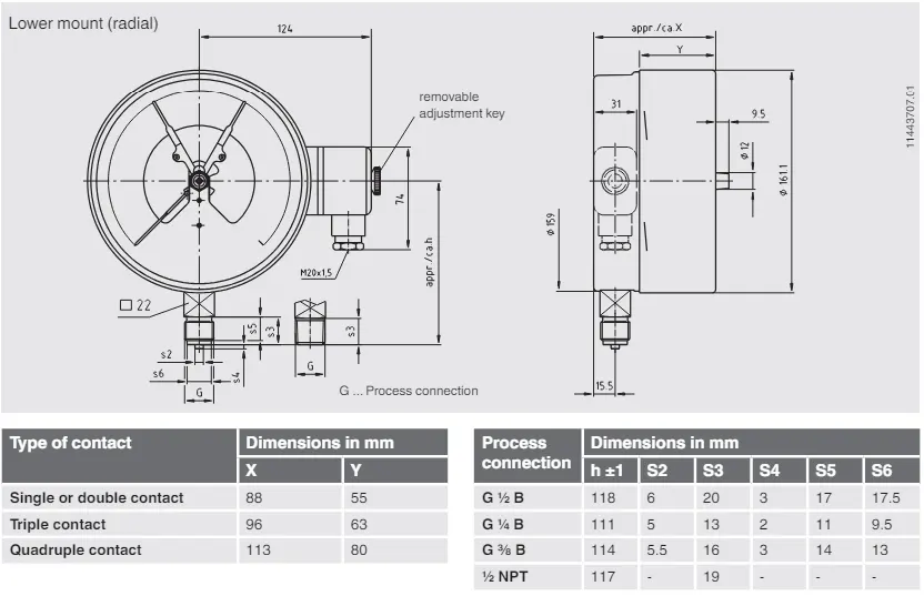
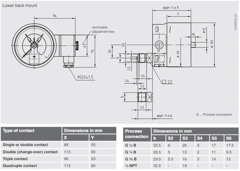
Dimensões em mm

Tomada de cabo


Dimensões em mm

Modelos EC02.010.100, EC02.050.100

Modelos EC02.010.160, EC010.050.160





Hot Tags: Manômetro de tubo Bourdon com contatos de interruptor, personalizado, qualidade
Enviar consulta
Informações de contato
  • Endereço

    112 Hetai Road, vila de Hetai, cidade de Xinzhuang, cidade de Changshu, província de Jiangsu, China

Se você tiver alguma dúvida sobre cotação ou cooperação, sinta-se à vontade para enviar um e-mail ou usar o seguinte formulário de consulta. Nosso representante de vendas entrará em contato com você dentro de 24 horas.
X
Utilizamos cookies para lhe oferecer uma melhor experiência de navegação, analisar o tráfego do site e personalizar o conteúdo. Ao utilizar este site, você concorda com o uso de cookies. política de Privacidade
Rejeitar Aceitar